贵阳市某现代化村镇2层钢混框架民居楼结构设计CAD图纸
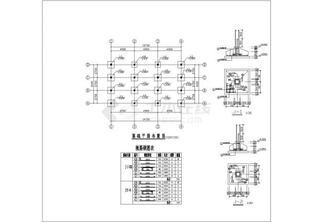
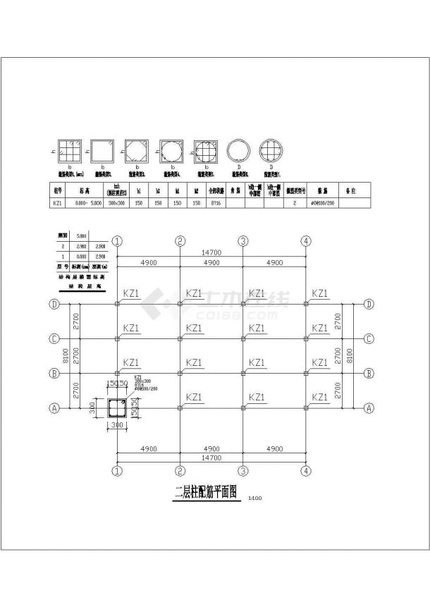
本资料为贵阳市某现代化村镇2层钢混框架民居楼结构设计CAD图纸 ,其中包含:各层板配筋图,各层柱配筋平面图和基础平面图等,可供设计师采纳参考!

贵阳市某现代化村镇2层钢混框架民居楼结构设计CAD图纸-图一

贵阳市某现代化村镇2层钢混框架民居楼结构设计CAD图纸-图二

贵阳市某现代化村镇2层钢混框架民居楼结构设计CAD图纸-图三
本资料为贵阳市某现代化村镇2层钢混框架民居楼结构设计CAD图纸 ,其中包含:各层板配筋图,各层柱配筋平面图和基础平面图等,可供设计师采纳参考!

贵阳市某现代化村镇2层钢混框架民居楼结构设计CAD图纸-图一

贵阳市某现代化村镇2层钢混框架民居楼结构设计CAD图纸-图二

贵阳市某现代化村镇2层钢混框架民居楼结构设计CAD图纸-图三